X軸ステージ
ステンレス自動ステージ YBS60-20XA
TSAシリーズと比べて剛性が強い低価格な小型ステンレス自動ステージです。 真空グリス交換も出来ますので別途お問い合わせ下さい
※注1)ドライバの駆動ステップ設定で分解能が変わります。 ※注2)無荷重での値です。ご使用条件により異なる場合があります。
マイクロスリム自動ステージ GT-MS-12
【特徴】
●テーブル20×23mm、指サイズの超小型精密自動ステージ
●小型でありながら精密送りネジと剛性・平面精度の高い精密クロスローラガイドを採用することにより、1kgの荷重が載せられる高剛性を実現
●本体部に原点検出機能(フォトセンサ)を搭載。
●全体の寸法が幅20mm、全長77.5mm、高さ32mmを実現
●重さ140gの超軽量構造をこの寸法で実現しました。
●光学部品、半導体、MEMS部品、装置組み込み用など、狭い場所での使用が可能です。
注1)お客様のコントローラの仕様によっては移動量を確保出来ない場合がありますのでご注意下さい。
XY軸ステージ
ステンレス自動ステージ YBS60-20XYA
TSAシリーズと比べて剛性が強い低価格な小型ステンレス自動ステージです。 真空グリス交換も出来ますので別途お問い合わせ下さい
※注1)ドライバの駆動ステップ設定で分解能が変わります。 ※注2)無荷重での値です。ご使用条件により異なる場合があります。
顕微鏡ステージ LU-SX150
φ100、φ150の透過用穴付き自動XY軸ステージです。 研削仕上げをした高精度で薄型仕様になっています。 顕微鏡の型式を御指示いただければ取付アダプタ及びサンプル台(ウェハチャック)など検討し製作させていただきます。 (注)物理的に取付かない顕微鏡もございますので御相談ください。
※注1)ドライバの駆動ステップ設定で分解能が変わります。 ※注2)無荷重での値です。ご使用条件により異なる場合があります。
顕微鏡ステージ LU-SX200
φ100、φ150の透過用穴付き自動XY軸ステージです。 研削仕上げをした高精度で薄型仕様になっています。 顕微鏡の型式を御指示いただければ取付アダプタ及びサンプル台(ウェハチャック)など検討し製作させていただきます。 (注)物理的に取付かない顕微鏡もございますので御相談ください。
※注1)ドライバの駆動ステップ設定で分解能が変わります。 ※注2)無荷重での値です。ご使用条件により異なる場合があります。
回転ステージ
中空回転ステージ TSA160-θ
TSA160-θはφ102mmの透過穴と厚さ44mmの薄型をコンセプトに設計された自動大型回転ステージです。
※注1)ドライバの駆動ステップ設定で分解能が変わります。 ※注2)無荷重での値です。ご使用条件により異なる場合があります。※注意3)コントローラによっては360°しか回りません。
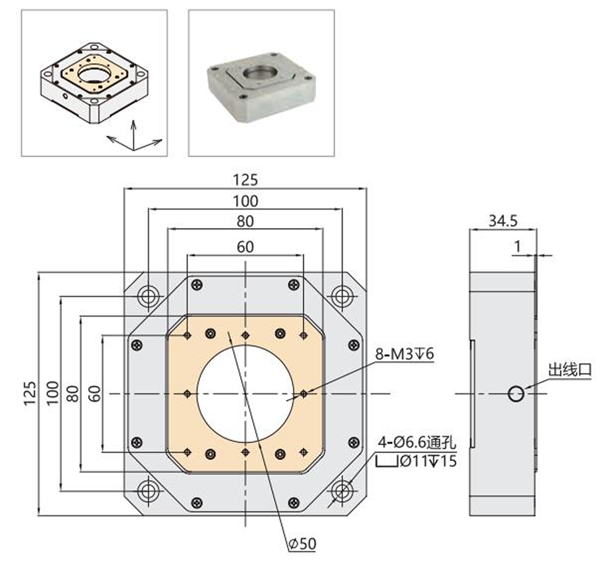
ページトップへ口 40 小型自動ステージ TSA40-θ
□24の5相ステッピングモータを採用した、小型・軽量・高精度をコンセプトに開発された40mm角テーブルの自動位置決めステージです。
口 60 小型自動ステージ TSA60-θ
□24の5相ステッピングモータを採用した、小型・軽量・高精度をコンセプトに開発された60mm角テーブルの自動位置決めステージです。
マイクロスリム自動ステージ
マイクロスリム自動ステージ
【特徴】
●テーブル20×23mm、指サイズの超小型精密自動ステージ
●小型でありながら精密送りネジと剛性・平面精度の高い精密クロスローラガイドを採用することにより、1kgの荷重が載せられる高剛性を実現
●本体部に原点検出機能(フォトセンサ)を搭載。
●全体の寸法が幅20mm、全長77.5mm、高さ32mmを実現
●重さ140gの超軽量構造をこの寸法で実現しました。
●光学部品、半導体、MEMS部品、装置組み込み用など、狭い場所での使用が可能です。
注1)お客様のコントローラの仕様によっては移動量を確保出来ない場合がありますのでご注意下さい。
自動アクチュエータ
FACT15-AL
5相ステッピングモータを採用した、小型・軽量・高精度をコンセプトに開発された60mm角テーブル、移動量4mmの自動水平面型Z軸ステージと動量15mmのアクチュエータです。
※注1)耐荷重は無荷重での値です。ご使用条件により異なる場合があります。
ページトップへマイクロステップドライバ
ケースタイプ KR-A55MC
基板タイプ KR-A55ME-2Z/KR-A55ME-3Z
フルコネクトタイプ KR-A535M
フル端子台タイプ KR-A535MT(生産中止)
オープン制御コントローラ
1 軸/2 軸汎用 モーションコントロールユニット KR210AU/KR220AU
KR210AU/KR220AUシリーズは、小型のケースに多彩な機能を凝縮した、プログラマブルモーションコントロールユニットです。EEPROMを内臓し、各軸の動作をパラメータと最大64個の位置データをプログラムすることができます。KR210AUは1軸、KR220AUは2軸用のユニットです。 全機種RS-232Cポートを標準装備、USBポート内臓機種はパソコンに簡単接続 Windows対応、専用ソフトウェアでプログラミングも簡単 専用リモートBOXでプログラミングや各種パラメータ等の設置ができ、さらに各軸のマニュアル動作&プログラム起動が可能 制御BOXに取付が便利なDINレールワンタッチ取付機構を採用 パラレル入出力を利用し、PLCや各種SW等で制御可能、各軸64ポジションデータをプログラム可能 様々な制御に対応する5種類種類の動作モード ステップ選択で原点サーチも簡単設定
補完機能付 2 軸/4 軸 モーションコントロールユニット KR320A/KR340A(生産中止)
KR320A(2軸)/KR340A(4軸)は、補間機能付きモータコントロールIC MC314を搭載した、2軸/4軸のモータを位置決め制御または速度制御するユニットです。 KR320Aは4kbitEEPROMを内蔵し、X/Y各軸の動作パラメータと各軸、最大54ステップの位置データをプログラムすることができます。KR340Aは128kbitEEPROMを内蔵し、X/Y/Z/U各軸の動作パラメータと各軸、最大2000ステップの位置データをプログラムすることができます。4軸のサーボモータ、またはステッピングモータの各軸独立制御のほかに、2軸の円弧・2軸/3軸の直線補間ドライブを行うことができます。特徴として、各種パラメータの設定、プログラムの作成・保存等は、専用のソフトを用いて簡単にパソコン上で作成することができます。
補完機能付 4 軸 モーションコントロールボード MC8043P
MC8043Pは、補間機能付き4軸モーションコントロールIC "MCX314As" を搭載した、PC/AT互換機PCIパス対応の回路基板です。1ポートで4軸のサーボモータ、またはステッピングモータを各軸独立に位置決め制御または速度制御することができます。また、4軸中、任意の2軸または3軸を選択して、2軸/3軸直線補間、CW/CCW円弧補間、2軸/3軸ビットパターン補間(CPUからのビットデータによる補間)を行うことができます。 制御軸:4軸(独立同時制御可能) ドライブ速度:1PPS〜4MPPS 2軸円弧/3軸直線補間機能 定速/台形/放物線S時 Windows/XP/Vista/7用 デバイスドライバ、サンプルプログラム(VB・VC++)を付属
ナノ分解能ピエゾ位置決めステージ
■製品の品質と保証について
COREMORRO 社(中国の企業)の製品です。ピエゾ関連製品は ISO9001 の認定を受けた自社工場のクリーンな環境の元で品質と生産体制を確保しながら管理された体制で製作しております。
・特注品も対応可能です
・製品の初期不良に関しては全て交換させて頂きます
・コントローラ関係については 1 年間の保証が付いております
・コントローラ及びピエゾ本体は最終試験で数万回の耐久試験を実施しています
・お客様の御要望に応じて特注製品の設計(3DCAD)及び製作を行っております
・自社工場を用いているのでスピーディーに対応が可能です
・デモ機なども御用意できますのでお問合せください
■概要
ナノ分解能ピエゾ位置決めステージは貫通穴のある直線ピエゾ位置決めプラットフォームであり搭載物をナノメートル単位の精度で移動させることができます。
ナノ分解能ピエゾ位置決めステージは高い信頼性と高い分解能を持ち非常に優れた移動直線性と平面性、およびより高い機械的強度を備えています。
主に顕微鏡ステッピング移動などで使用され光学システムの解像度を向上させるための高速なステップおよび安定した移動を実現します。
これにはカメライメージングプロセス技術や生物認識技術など光学系のアプリケーションが含まれます。
また特徴的な点として中央に大きな貫通穴があるということが挙げられます。
これにより、より良い光学パス条件を光学系に提供することができます。
ナノ分解能ピエゾ位置決めステージは透光精密光学デバイスの位置合わせと調整に主に使用され顕微鏡や分析機器と組み合わせて位置合わせや測定に使用されます。
これには走査プローブ顕微鏡(例:原子間力顕微鏡)、ナノポジショニング、計測、生物学研究、マイクロエレクトロニクス、マイクロ操作、精密制御などの応用があります。
■COREMORROW 社が製造している 3 軸までの貫通穴ピエゾ位置決めステージの詳細情報
※総代理店:ワイヤード株式会社
COREMORROW社の製品と品質と生産体制について
COREMORROW社のピエゾ関連製品は全てクリーンな環境の元で品質と生産体制を確保しながら製品を作っておりますので、安心して御購入して頂けます。
1.製品の初期不良に関しては全て交換させて頂きます。
2.コントローラ関係については1年間の保証が付いております。
3.コントローラ及びピエゾ本体は最終試験で数万回の耐久試験を実施しています。
4.お客様の御要望に応じて、特注製品の設計(3DCAD)及び製作を行っております。
自社工場を用いているので スピーディーに対応が可能です。
5.デモ機なども、御要望に応じて用意出来ますのでお問合せ下さい。
6.ISO9001の認定工場で生産しております。
COREMORROW社の工場内の製作体制についてご紹介させて頂きます。
■ビエゾ製品
① 本体加工
超精密加工機を使用し、製品の機械構造を高精度に加工します。治具フライス盤・縦フライス盤・コラム型フライス盤、旋盤・マシニングセンター・成形研磨・研削盤・ボール盤・タッピング盤を使い加工しています。
機械加工後、加工された部品は厳なノギスやマイクロメーター、顕微鏡などを使い寸法測定が行われます。
チェックされ、合格すると、次の生産工程に入ります。

② ピエゾ組立工程
組み立ての前に、圧電セラミックは静電容量、変位、漏れ電流などのパラメータを
テストする必要があり、テストに合格した後、次の生産工程に入ります。
専門技術者は、ピエゾ精密モーション製品のすべての精密部品を組み立て、ハウジングを取り付け、規定の工程基準に従って規定のトルクレンチを使って基準値で締め付けます。
品質保証部門は、試験手順と規格に従って組み立てられた製品の予備的な機能試験と、クローズドループセンサーを搭載した製品のクローズドループセンシング信号の予備試験を行っています。
③ 検査工程
予備テストに合格した製品について、より包括的な性能テストを再度実施します。 試験工程で使用する冶具は、設計要求事項を厳守し、指定された剛性材料を選択し、指定された精度に従って加工し、設計要求事項に従って設置・配置します。
キャパシタンスマイクロメーター、レーザーマイクロメーター、光電コリメーター、周波数分析器などを使用し、変位(直線または角度)、精度、周波数試験、エージング試験を実施します。
■コントローラ製品
基板テスト
全自動配置と自動検査設備を採用し、電源ON・OFF検査、はんだ付け回路基板の外観検査などを実施し、回路基板部品の認定率が100%に達するようにしています。
テストされた回路基板は、組立工程の次のステップに進みます。 組立工程は、組立工が静電気除去装置を着用し、非常にクリーンな環境で専門の組立技術者によって行われます。
組み立てられたコントローラ製品は、初期テスト、エージング、工場テストなど、業界標準に厳格に基づいた品質検査プロセスを通過します。
さらに、厳しい検査基準を設けています。
■最終検査(ピエゾとコントローラを組合わせた)
ピエゾ精密モーション製品とそれをサポートする制御システムが工場を出荷する前に、最終的な負荷試験、つまりユーザーが要求する負荷重量を取り付けた後に数万回、数十万回の耐久試験を実施します。 負荷後の変位、静電容量、直線性、再現性、共振周波数などを含む。 テストレポートは出荷と一緒に提供させて頂きます。

■部品関係の保管庫
製品部品の合理的な保管管理システムを構築しています。 また、製品部品や半製品をストックすることで、納品スピードの向上を図っています。
■標準品及び特注品の設計
製品のカスタマイズにおいて非常に豊富な経験を持っています。 ソフトウェア(3DCAD、SOLIDWORKS、ANSYS等)を使用し、お客様の使用条件に合わせたオーダーメイド設計、FEM解析を行い、加工、テストを行い、最終的にユーザー様の規格にあった製品をお客様に納品いたします。制御ソフトの提供や二次開発のサポートも可能です。

お客様のご要望に応じて、製品やテストソリューションをカスタマイズいたします。 製品のカスタマイズには、変位、精度、使用環境、外形寸法、使用周波数などが含れています。 テストプログラムには、寿命テスト、高温・低温テスト、振動テスト、電磁両立性テスト、周波数スキャンテストなどが含まれます。極低温用途、真空用途、科学研究用途、工業化用途など、1000件近くのカスタマイズソリューションがあります。

■ISO9001認定
COREMORROWはISO9001の認定工場となっています。

P79.XYZ50S/K-B2 顕微鏡ピエゾ位置決めステージ
顕微鏡ピエゾ位置決めステージ P79 シリーズは、マクロ XY 軸顕微鏡ステージや市販のピエゾモーターステージと組み合わせて使用するために設計された 1~3 軸のマイクロマニピュレーターステージです。マクロ XY 軸ステージが位置決めされると、P79 ステージはミリ秒単位のステップタイムで高速かつ正確にXYZ 軸の焦点調節を可能にします。
注:上記のパラメータは、E00/E01 シリーズのピエゾコントローラを使用して測定したもので、駆動電圧は-20V から 150V まで可能です。高い信頼性と長期間の使用には、駆動電圧は 0 から 120V までとすることをお勧めします。
P13A.XYZ80K 低温非磁性ピエゾ位置決めステージ
ピエゾナノ位置決めテーブルP13Aシリーズは、低温ピエゾ駆動と軽量筐体を採用し、超低温・強磁性環境向けに開発・設計されています。すべてのコンポーネントは、低温・強磁性での性能を保証するために、低温・強磁性対応版が用意されています。
XD107 シリーズ ピエゾ位置決めステージ XYZ 3 軸ストローク 最大 100μm
ピエゾ位置決めステージXD107シリーズは、サンプル顕微鏡のイメージング用途向けに、中央に正方形の貫通穴を持つ3軸ピエゾ位置決めステージです。
注)上記パラメータは、ピエゾコントローラーE00/E01シリーズを使用して測定したものです。最大駆動電圧は-20 V~150 Vまで可能ですが、信頼性の高い長期使用には、0~120 Vの駆動電圧を推奨します。
XD106 シリーズ 極低温真空非磁性ピエゾ位置決めステージ
製品の特徴
1.真空極低温非磁性
2.XYZ軸制御
3.貫通穴Φ 50 mm
4.オープンループ制御コントロール
注)上記パラメータは、ピエゾコントローラーE00/E01シリーズを使用して測定したものです。最大駆動電圧は-20 V~150 Vまで対応可能です。高信頼性で長期間使用する場合は、0~120 Vの駆動電圧を推奨します。
P15.XYZ300S/K-C2 ピエゾ位置決めステージ
注)上記パラメータは、ピエゾコントローラーE00/E01シリーズを使用して測定したものです。最大駆動電圧は-20 V~150 Vまで対応可能です。高信頼性で長期間使用する場合は、0~120 Vの駆動電圧を推奨します。
P12B.XYZ100 低温真空ピエゾ位置決めステージ
製品の特徴
1.XYZ軸制御
2.ストローク 100 μm/移動
3.中央に貫通穴 Ø10 mm
4.真空に適しています
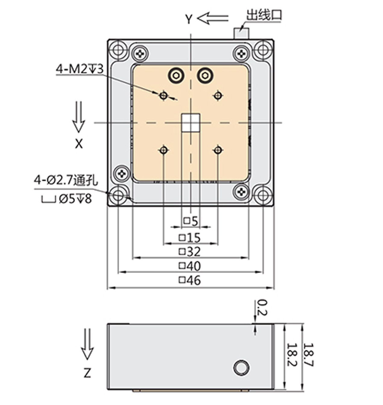
P79.XYZ50 顕微鏡用ピエゾ位置決めステージ
P79シリーズ顕微鏡ビエゾ位置決めステージは、マクロXY軸顕微鏡ステージや市販のピエゾモーターステージと組み合わせて使用するために設計された1~3軸のマイクロマニピュレーターステージです。マクロXY軸ステージが位置決めされると、P79ステージはミリ秒単位のステップ移動で高速かつ正確なXYZ軸フォーカシングを可能にします.
製品の特徴
1.クローズドループ位置決めにおける高い再現性
2.移動方向 XYZ軸
3.負荷容量 0.5 kg
4.変位量 50 μm
5.真空仕様もあり
注:上記のパラメータは、E00/E01シリーズピエゾコントローラーを使用して測定したもので、駆動電圧は-20 V~150 Vの範囲で使用できます。高い信頼性と長期の使用のために、駆動電圧は0~120 Vの範囲であることが推奨されます。
P12.XY500Z800S/K ピエゾ位置決めステージ
製品の特徴
1.XYZ軸制御
2.XY移動量500 μm、Z移動量800 μm
3.対物レンズの3軸位置調整
4.真空仕様のカスタマイズも可能
注)上記パラメータは、ピエゾコントローラーE00/E01シリーズを使用して測定したものです。最大駆動電圧は-20 V~150 Vまで可能ですが、信頼性の高い長期使用には、0~120 Vの駆動電圧を推奨します。
P12A.XY200Z100 シリーズ ピエゾ位置決めステージ(拡大機構タイプ)
製品の特徴
1.フルクローズドループ、高精度
2.XYZ軸制御
3.ストローク:X200/Y200/Z80 μmまで
4.貫通穴▢ 45×45 mm
5.真空仕様あり
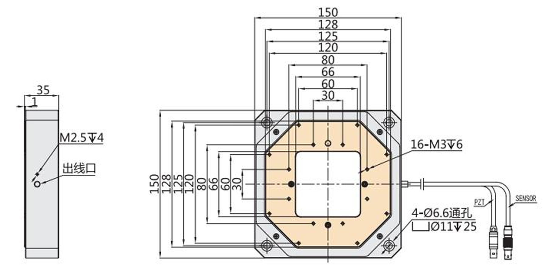
P15.XYZ ピエゾ位置決めステージ 300 μm 貫通穴 60×60 mm
ピエゾ位置決めステージP15は、高速かつ高精度な2Dおよび3D移動とナノ位置決めテーブルで、非常に高度な真直度を備えています。中央に66 x 66
mmの貫通穴があり、近接場スキャン、共焦点顕微鏡、マスク位置決めなどの透過光アプリケーションに適しています。
製品の特徴
3軸制御、ストローク300 μm/軸
摩擦のない高精度なフレキソ誘導システム
オプションでクローズドループセンサーを用意できる
高い位置決め平坦度
貫通穴 66×66 mm
真空仕様あり
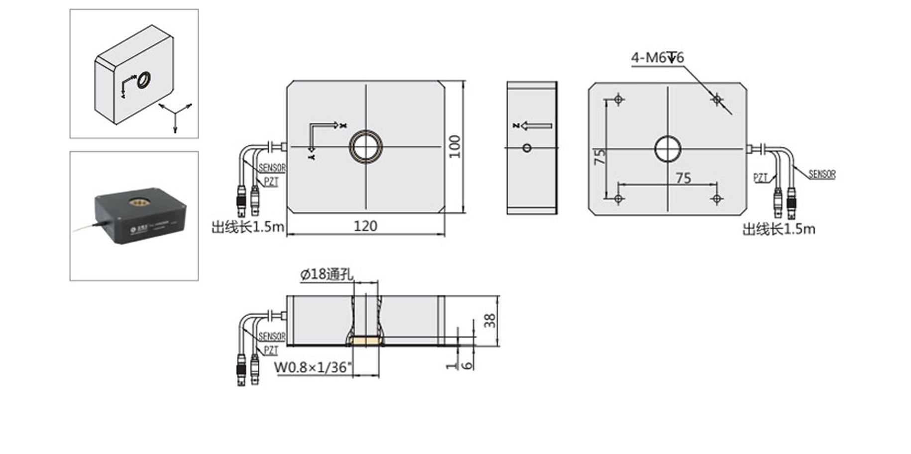
P12.XYZ ピエゾ位置決めステージ 100 μm ф35 mm
P12.XYZは、70×70×24 mmのコンパク トなサイズと最大100 μmのストロークを持つXYZ軸ピエゾ位置決めステージです。
ピエゾ駆動、摩擦のない、柔軟なヒンジガイドシステムにより、このシリーズはナノメートル分解能、ミリ秒応答時間、中心口径Φ35 mmを達成し、顕微鏡や移動における位置決めに適します。
製品特徴
1.XYZ方向移動
2.ストローク 100 μm/軸
3.荷重 0.5 kg
4.速い応答速度
5.クローズドループ位置決めにおける高い再現性
6.真空仕様あり
** 低温仕様、高真空仕様のカスタマイズも可能です。
*** 顕微鏡アダプターに依存します。
**** コネクタはカスタマイズ可能です。
注1: 上記のパラメータは、試験環境および試験装置に関するものです。位置決めテーブルの表面の平行度は約20 μm、粗さは約1.6~3.2、特別な要件は購入前に確認してください。
注2: 上記のパラメータはE00/E01シリーズピエゾコントローラを使用して測定したもので、駆動電圧は-20 V~150 Vの範囲で使用できます。高い信頼性と長期的な使用のために、駆動電圧は0~120
Vの範囲にすることをお勧めします
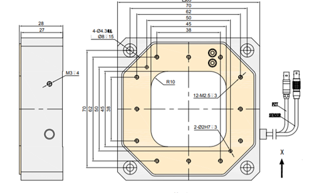
P12A.XYZ ピエゾ位置決めステージ 100 μm貫通穴▢ 45×45 mm
ピエゾ位置決めステージP12Aシリーズは、テーブル本体の中央に正方形の貫通穴を設け、内部に摩擦のないフレキシブルなヒンジガイド機構を備えた1~3方向の平行移動ステージです。P12A.XYZ XYZ軸ピエゾ位置決めステージは、中央に貫通穴を持ち、走査範囲は最大100 μmで、ヨーイングのない直線運動と高精度のクローズドループ位置決めステージを備えています。表面測定や顕微鏡イメージングなどの用途に広く使用されています。
** 低温仕様、高真空仕様のカスタマイズは可能です。
***コネクタはカスタマイズ可能です。
注1:上記のパラメータは、テスト環境およびテスト機器に関連するものです。位置決めテーブル表面の平行度は約20 μm、粗さは約1.6~3.2です。特別な要件については、購入前に確認してください。
注2:上記のパラメータは、E00/E01シリーズピエゾコントローラを使用して測定したものです。最大駆動電圧は-20 V~150 Vの範囲で可能ですが、信頼性の高い長期使用には、0~120
Vの駆動電圧を推奨します。
P18.XYZ200 ピエゾ位置決めステージ 200 μm ф35 m貫通穴
P18.XYZ ピエゾ位置決めステージは、高性能ピエゾセラミックスを駆動素子として内蔵し、SGSセンサーの閉ループで精密かつ高速な位置決め動作を実現し、製品はコンパクトで組み込みやすく、高い繰り返し位置精度と動的位置決め性能を有しています。
*** 顕微鏡アダプターに依存します。
**** コネクタはカスタマイズ可能です。
注1: 上記のパラメータは、試験環境および試験装置に関するものです。 位置決めテーブルの表面の平行度は約20 μm、粗さは約1.6~3.2、特別な要件は購入前に確認してください。
注2: 上記のパラメータは、E00/E01シリーズビエゾコントローラを使用して測定したものです。最大駆動電圧は-20 V~150 Vの範囲で使用できます。高信頼性の長期使用には、駆動電圧が0~120 Vの範囲であることをお勧めします。
P12.XYZ ピエゾ位置決めステージ 100 μm ф25 mmまたはф35 mm貫通穴
P12.XYZ XYZ軸ピエゾ位置決めステージは、60×60×24 mmのコンパクトなサイズで、最大100 μmのストロークを実現。ピエゾ駆動、摩擦のない、柔軟なヒンジガイドシステムにより、このシリーズの製品は、ナノメートル分解能、ミリ秒の応答時間、テーブル本体の中心に貫通穴サイズΦ25 mmを達成し、顕微鏡の移動位置決めに適します
** 低温仕様、高真空仕様のカスタマイズが可能です。
***コネクターはカスタマイズ可能です。
注1:上記のパラメータは、テスト環境およびテスト機器に関連するものです。 位置決めテーブル表面の平行度は約20 μm、粗さは約1.6~3.2です。特別な要件については、購入前にご確認ください。
注2:上記のパラメータは、E00/E01シリーズピエゾコントローラを使用して測定されたもので、最大駆動電圧は-20 V~150 Vの範囲で使用できます。高信頼性の長期使用には、駆動電圧が0~120
Vの範囲であることを推奨します。































